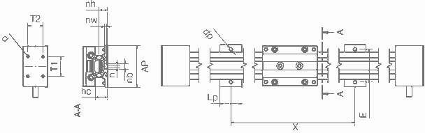
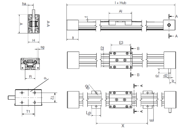
Die Zahnriemenachse drylin® ZLW-1040 ist die ideale Lösung für viele Positionieraufgaben. Die Einbauhöhe beträgt nur 45 mm. Die Hublänge ist frei wählbar (maximal 2000 Millimeter). Der Schlitten ist in 3 Größen verfügbar. drylin®ZLW-1040 ist in der Baureihe „Basic 02“ und in der „Standard 02“ lieferbar.
Auch als Einsteigermodell der econ-Serie erhältlich.
ZLW-1040-02-B-100-L/R (1)
ZLW-1040-02-E-100-L (1)


