Nach Eingabe Ihrer Postleitzahl nennen wir Ihnen sofort Ihren persönlichen igus® Berater.
Zahnriemenachsen in 3 Achsabständen von 120/160/200 mm. Mit der Erweiterung der Achsabstände bietet die Linearachse eine höhere Momentenaufnahme. Die neue modulare Linearachse überzeugt zudem durch verbesserte Dynamik und Aufnahme höherer Lasten. Verfügbar ist die Zahnriemenachse komplett aus anodisiertem Aluminium oder korrosionsbeständig aus Edelstahl.
Leistungsstarker breiter Rundriemen
Zentrale Riemeneinstellung am Schlitten
Basierend auf schmierfreier drylin® W-Linearführung
|
Art.-Nr.: |
| Art.-Nr. | Gewicht kg ohne Hub |
100 mm Hub |
max. Hublänge |
Übersetzung | Verzahnung | max. Radialbelastung |
Zahnriemen- material |
Zahnriemen- spannung |
max. Geschwindigkeit |
max. Antriebs- moment |
Leer- moment |
||
|---|---|---|---|---|---|---|---|---|---|---|---|---|---|
| [mm/U] | [N] | [N] | [N] | ||||||||||
| ZLW-20120-AL-02-S-200-H | 5,36 | 0,386 | 3000 | 144 | 20 RPP8 | 3000 | PU mit ES-Zugträger | 750 | 5 | 15 | 172 | 778,56 EUR | ![]() |
| ZLW-20120-ES-02-S-200-H | 5,36 | 0,386 | 3000 | 144 | 20 RPP8 | 3000 | PU mit ES-Zugträger | 750 | 5 | 15 | 172 | 3.219,49 EUR | ![]() |
| ZLW-20160-AL-02-S-200-H | 5,78 | 0,426 | 3000 | 144 | 20 RPP8 | 3000 | PU mit ES-Zugträger | 750 | 5 | 15 | 212 | 810,43 EUR | ![]() |
| ZLW-20160-ES-02-S-200-H | 5,78 | 0,426 | 3000 | 144 | 20 RPP8 | 3000 | PU mit ES-Zugträger | 750 | 5 | 15 | 212 | 3.353,07 EUR | ![]() |
| ZLW-20200-AL-02-S-200-H | 6,2 | 0,466 | 3000 | 144 | 20 RPP8 | 3000 | PU mit ES-Zugträger | 750 | 5 | 15 | 252 | 838,76 EUR | ![]() |
| ZLW-20200-ES-02-S-200-H | 6,2 | 0,466 | 3000 | 144 | 20 RPP8 | 3000 | PU mit ES-Zugträger | 750 | 5 | 15 | 252 | 3.482,17 EUR | ![]() |
| Mehr zum gewünschten Artikel: | |||||||||||||
3D CAD
Musterbestellung
Auslegung & Berechnung
Preisanfrage
Staffelpreise
myCatalog
|
|||||||||||||
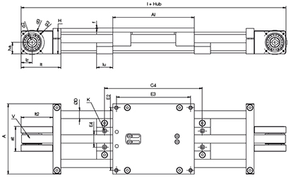
| Art.-Nr. | Schlittenlänge | Zahnriemenbreite | A | Al | H | E2 | E3 | E4 | C4 | lt | ha | lz | l | d2 | max Positions- abweichung | ||
|---|---|---|---|---|---|---|---|---|---|---|---|---|---|---|---|---|---|
| H7 | |||||||||||||||||
| ZLW-20120-AL-02-S-200-H | 200/250/300 | 20 | 172 | 200 | 63 | 154 | 182 | 40 | 240 | 98 | 28,5 | 27 | 396 | 14 | ±0,2 | 778,56 EUR | ![]() |
| ZLW-20120-ES-02-S-200-H | 200/250/300 | 20 | 172 | 200 | 63 | 154 | 182 | 40 | 240 | 98 | 28,5 | 27 | 396 | 14 | ±0,2 | 3.219,49 EUR | ![]() |
| ZLW-20160-AL-02-S-200-H | 200/250/300 | 20 | 212 | 200 | 63 | 194 | 182 | 80 | 240 | 98 | 28,5 | 27 | 396 | 14 | ±0,2 | 810,43 EUR | ![]() |
| ZLW-20160-ES-02-S-200-H | 200/250/300 | 20 | 212 | 200 | 63 | 194 | 182 | 80 | 240 | 98 | 28,5 | 27 | 396 | 14 | ±0,2 | 3.353,07 EUR | ![]() |
| ZLW-20200-AL-02-S-200-H | 200/250/300 | 20 | 252 | 200 | 63 | 234 | 182 | 120 | 240 | 98 | 28,5 | 27 | 396 | 14 | ±0,2 | 838,76 EUR | ![]() |
| ZLW-20200-ES-02-S-200-H | 200/250/300 | 20 | 252 | 200 | 63 | 234 | 182 | 120 | 240 | 98 | 28,5 | 27 | 396 | 14 | ±0,2 | 3.482,17 EUR | ![]() |
| Mehr zum gewünschten Artikel: | |||||||||||||||||
3D CAD
Musterbestellung
Auslegung & Berechnung
Preisanfrage
Staffelpreise
myCatalog
|
|||||||||||||||||
| Art.-Nr. | d3 | g3 | D | K | at | lt2 | lu | V | ||
|---|---|---|---|---|---|---|---|---|---|---|
| für DIN912 - M6 | [mm] | [mm] | [mm/U] | |||||||
| ZLW-20120-AL-02-S-200-H | 60 | M5 | 20 | M8 | 61 | 78 | 40 | 144 | 778,56 EUR | ![]() |
| ZLW-20120-ES-02-S-200-H | 60 | M5 | 20 | M8 | 61 | 78 | 40 | 144 | 3.219,49 EUR | ![]() |
| ZLW-20160-AL-02-S-200-H | 60 | M5 | 20 | M8 | 61 | 78 | 40 | 144 | 810,43 EUR | ![]() |
| ZLW-20160-ES-02-S-200-H | 60 | M5 | 20 | M8 | 61 | 78 | 40 | 144 | 3.353,07 EUR | ![]() |
| ZLW-20200-AL-02-S-200-H | 60 | M5 | 20 | M8 | 61 | 78 | 40 | 144 | 838,76 EUR | ![]() |
| ZLW-20200-ES-02-S-200-H | 60 | M5 | 20 | M8 | 61 | 78 | 40 | 144 | 3.482,17 EUR | ![]() |
| Mehr zum gewünschten Artikel: | ||||||||||
3D CAD
Musterbestellung
Auslegung & Berechnung
Preisanfrage
Staffelpreise
myCatalog
|
||||||||||
