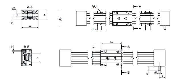
ZLW-1080 Breit und stabil
Die breite Bauform ergänzt das umfangreiche Programm der Zahnriemenachsen74 mm Wellenabstand
Reduziertes Spiel im Wirkpunkt
Gute Momentenstütze
Flache Bauhöhe von 45 mm
Schmierfrei
Kombinierbar mit Schritt- und DC Motoren
Motorflansch, Kupplung, Initiator erhältlich
Typische Anwendungsbereiche: Automation & Handling, Vending, Verpackung, Medizin, Trägerachse für Mehrachspositioniersysteme
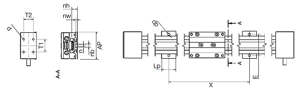
ZLW-1080-02-S-100-L (1)



