Change Language :

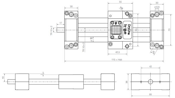
SHTP-FF in leicher Vollkunststoffausführung
Das SHTP-Linearmodul mit Schnellverschluss-Mechanismus hat alle Vorteile wie die Aluminium Versionen, ist aber aufgrund der Kunststoffausführungen bei Schlitten und Traversen um einiges leichter. Ein Linearmodul mit 100 mm Hublänge hat ein Gewicht von nur 0,35 kg.

...anschlussfertig konfektionierte Linearmodule mit Hublängen in 250 und 500 mm im Online-Shop bestellen.

Persönlich
Montag bis Freitag: 8–20 Uhr
Samstag: 8–12 Uhr
Online
Chat-Service
Montag bis Freitag: 8–16 Uhr (CET/ CEST)
WhatsApp-Service
Montag bis Freitag: 8–16 Uhr (CET/ CEST)