|
Art.-Nr.: |
Nach Eingabe Ihrer Postleitzahl nennen wir Ihnen sofort Ihren persönlichen igus® Berater.
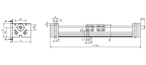
Die drylin®-Baureihe SAW bietet anschlussfertige Linearachsen für Ihren Schrittmotor Typ NEMA-23 unterschiedlicher Hersteller (Berger Lahr, Festo, Gunda, Oriental, Sanyo Denki etc.). Die Linearbewegung erfolgt dabei komplett schmiermittelfrei.
Gewinde-Antriebsspindel mit Kugellager gelagert
Steigungen 2 mm, 3 mm, 12 mm oder 50 mm pro Umdrehung
kompakte Bauart, geringes Gewicht, hohe Stabilität
einbaufertig lieferbar mit Motorflansch und Kupplung
optional mit einstellbaren Linearlagern und spielfrei vorgespannten Schlitten
neben dem Standard der rechtsgängigen Spindel können auch links- bzw. gegenläufige Spindeln eingesetzt werden
Schrittmotor (optional)
2Motorflansch und Kupplung
3Trapezgewinde 10 x 2, 10 x 3 Steilgewinde 10 x 12, 10 x 50
4Gewindemutter und Linearlager aus iglidur® J, schmierfrei
5Kugellager
Optional: Gehäuselager mit Turn-To-Fit-Funktion
Schrittmotoren sind eine gute Ergänzung zu drylin®-Linearachsen. Sie zeichnen sich durch ihre Kosteneffektivität, ihre Präzision und eine einfache Ansteuerung aus. Sie arbeiten zuverlässig in verschiedensten Umgebungsbedingungen (abhängig von der gewählten Schutzart IP). Der NEMA-Standard garantiert gute weltweite Verfügbarkeit.
| NEMA-Größe | Flanschbreite (b) | Lochabstand (a) | 8 | 20,00 | 16,00 | 11 | 28,00 | 23,00 | 14 | 35,00 | 26,00 | 17 | 42,00 | 31,00 | 23 | 56,40 | 47,14 | 34 | 86,00 | 69,50 |
|---|
|
Art.-Nr.: |
| Bestellnr. | max. Hublänge |
max. Drehzahl |
max. statische Tragfähigkeit axial [N] radial [N] |
Ausführung | ||
|---|---|---|---|---|---|---|
SAW-1040 |
500 | 1500 | 500 | 2000 | Standard-Lineargleitlager mit schmierfreier iglidur® J-Gleitfolie |
![]() |
SAW-1040-E |
500 | 1500 | 500 | 2000 | zusätzlich mit manuell einstellbaren Lineargleitlagern (Turn-To-Fit) |
![]() |
| Mehr zum gewünschten Artikel: | ||||||
3D CAD
Musterbestellung
Auslegung & Berechnung
PDF
Preisanfrage
Staffelpreise
myCatalog
|
||||||
