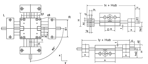
hohe Präzision, extreme Steifigkeit und genaue Ausrichtung durch CNC-Fertigung
als Standard- und Preload-Version erhältlich
100% schmiermittelfrei und komplett korrosionsfrei
Verstellung über Trapezgewinde TR 10x2
Montage obere Einheit mit rechter oder linker Ausrichtung möglich
Zubehör erhältlich (Handrad, Positionsanzeige…)

SHT-XY-12
drylin® E – Produktübersicht
