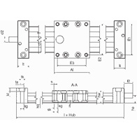
igus® SLW Linearmodule bauen auf dem drylin® W Linearbaukasten als auch auf wartungsfreien und selbstschmierenden dry-tech® Hochleistungskunststoffen auf. Durch eine im Lagerwerkstoff inkomprimierte Schmierung sind die Lagerwerkstoffe für den dauerhaften Trockenlauf ausgelegt d.h. über die komplette Lebensdauer wartungsfrei. Einbaufertige Linearmodule sind in 2-4 Tagen lieferbar.










