Change Language :
drylin SLN-Linearachsen bieten die Lösung für beengte Bauräume. Die kleine Achse misst 28x22 mm und ist mit einer Hublänge von bis zu 250 mm konfigurierbar. Sie läuft aufgrund der schmiermittelfreien Kunststoffgleiter extrem leise und ist dabei sehr leicht. Der Mikrometertisch der Baugröße 27 bildet die Basis. Die Spindelachse ist mit Kugellagern in den Traversen verfügbar.

SLN-27-03 Einsteigermodell mit Basic Schlitten aus igus® Polymer
SLN-27-04 Schlitten mit manueller Spiel- und Höheneinstellung
SLN-27-05 Schlitten mit axialer Federvorspannung (Preload) und manueller Spiel- und Höheneinstellung
SLN-27-14 Schlitten mit manueller Spiel- und Höheneinstellung, Spindel kugelgelagert
SLN-27-15 Schlitten mit axialer Federvorspannung (Preload) und manueller Spiel- und Höheneinstellung, Spindel kugelgelagert
Einsatzgebiete: Zustellbewegungen mit geringem Gewicht, Sensorverstellungen, leichte Handlingsaufgaben in der Geräte- und Labortechnik.
| Art.-Nr. | max. Hublänge [mm] | Gewicht [g] | Zusätzl. (pro 100 mm) [g] | max. stat. Tragfähigkeit, axial [N] | max. stat. Tragfähigkeit, radial [N] | max. Drehzahl [U/min] | max. Antriebsmoment [Nm] | A, ±0,2 [mm] | Al, ±0,1 [mm] |
|---|---|---|---|---|---|---|---|---|---|
| SLN-27-03-0008 | 250 | 50 | 40 | 10 | 40 | 100 | 0,1 | 28 | 35 |
| SLN-27-03-0025 | 250 | 50 | 40 | 10 | 40 | 100 | 0,1 | 28 | 35 |
| SLN-27-03-0051 | 250 | 50 | 40 | 10 | 40 | 100 | 0,2 | 28 | 35 |
| SLN-27-03-0127 | 250 | 50 | 40 | 10 | 40 | 100 | 0,3 | 28 | 35 |
| SLN-27-03-0254 | 250 | 50 | 40 | 10 | 40 | 100 | 0,4 | 28 | 35 |
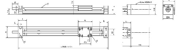
| Art.-Nr. | H, ±0,2 [mm] | E1, ±0,15 [mm] | E2, ±0,15 [mm] | E3, ±0,15 [mm] | l [mm] | hw, ±0,2 [mm] | lt, ±0,2 [mm] | tg [mm] | T | d2 [mm] | l2 [mm] | ha [mm] |
|---|---|---|---|---|---|---|---|---|---|---|---|---|
| SLN-27-03-0008 | 22 | 20,5 | 15 | 28 | 77 | 22 | 21 | 3,2 | M5 | 5 | 15 | 14,5 |
| SLN-27-03-0025 | 22 | 20,5 | 15 | 28 | 77 | 22 | 21 | 3,2 | 6,35x2,54 | 6,35 | 15 | 14,5 |
| SLN-27-03-0051 | 22 | 20,5 | 15 | 28 | 77 | 22 | 21 | 3,2 | 6,35x2,54 | 6,35 | 15 | 14,5 |
| SLN-27-03-0127 | 22 | 20,5 | 15 | 28 | 77 | 22 | 21 | 3,2 | 6,35x2,54 | 6,35 | 15 | 14,5 |
| SLN-27-03-0254 | 22 | 20,5 | 15 | 28 | 77 | 22 | 21 | 3,2 | 6,35x2,54 | 6,35 | 15 | 14,5 |

SLN-27-14 Schlitten mit manueller Spiel- und Höheneinstellung, Spindel kugelgelagert
SLN-27-15 Schlitten mit axialer Federvorspannung (Preload) und manueller Spiel- und Höheneinstellung, Spindel kugelgelagert
Integrierter Motor NEMA 11 Schrittmotor mit Litze Haltemoment Mo 0,13 Nm, Anschlussmaß 28x28 mm
Optional erhältlich: Direkt und frei am Profil positionierbare Initiatoren
Art.-Nr. IK-0052 Initiator Kit mit Halter für SLN, induktiv,PNP, Öffner/NC
Art.-Nr. IK-0053 Initiator Kit für Halter für SLN, induktiv, PNP Schließer/NO
Einsatzgebiete: Automaten, Medizin- Labortechnik, Prüftechnik
| Art.-Nr. | max. Hublänge [mm] | Gewicht [g] | Zusätzl. (pro 100 mm) [g] | max. stat. Tragfähigkeit, axial [N] | max. stat. Tragfähigkeit, radial [N] | max. Drehzahl [U/min] | max. Antriebsmoment [Nm] | A, ±0,2 [mm] | Al, ±0,1 [mm] |
|---|---|---|---|---|---|---|---|---|---|
| SLN-27-14-0050-100-11-L-S-000 | 100 | 60 | 40 | 10 | 40 | 300 | 0,1 | 28 | 35 |
| SLN-27-14-0050-150-11-L-S-000 | 150 | 60 | 40 | 10 | 40 | 300 | 0,1 | 28 | 35 |
| SLN-27-14-0050-200-11-L-S-000 | 200 | 60 | 40 | 10 | 40 | 300 | 0,1 | 28 | 35 |
| SLN-27-14-0050-250-11-L-S-000 | 200 | 60 | 40 | 10 | 40 | 300 | 0,1 | 28 | 35 |
| SLN-27-15-0050-100-11-L-S-000 | 100 | 60 | 40 | 10 | 40 | 300 | 0,1 | 28 | 35 |
| SLN-27-15-0050-150-11-L-S-000 | 150 | 60 | 40 | 10 | 40 | 300 | 0,1 | 28 | 35 |
| SLN-27-15-0050-200-11-L-S-000 | 200 | 60 | 40 | 10 | 40 | 300 | 0,1 | 28 | 35 |
| SLN-27-15-0050-250-11-L-S-000 | 250 | 60 | 40 | 10 | 40 | 300 | 0,1 | 28 | 35 |
| Art.-Nr. | H, ±0,2 [mm] | E1, ±0,15 [mm] | E2, ±0,15 [mm] | E3, ±0,15 [mm] | l [mm] | hw, ±0,2 [mm] | lt, ±0,2 [mm] | tg | T | d2 | l2 [mm] | ha [mm] |
|---|---|---|---|---|---|---|---|---|---|---|---|---|
| SLN-27-14-0050-100-11-L-S-000 | 21,5 | 20,5 | 15 | 28 | 76 | 22 | 20,2 | M3 | 5x5 | M5 | 15 | 14 |
| SLN-27-14-0050-150-11-L-S-000 | 21,5 | 20,5 | 15 | 28 | 76 | 22 | 20,2 | M3 | 5x5 | M5 | 15 | 14 |
| SLN-27-14-0050-200-11-L-S-000 | 21,5 | 20,5 | 15 | 28 | 76 | 22 | 20,2 | M3 | 5x5 | M5 | 15 | 14 |
| SLN-27-14-0050-250-11-L-S-000 | 21,5 | 20,5 | 15 | 28 | 76 | 22 | 20,2 | M3 | 5x5 | M5 | 15 | 14 |
| SLN-27-15-0050-100-11-L-S-000 | 21,5 | 20,5 | 15 | 28 | 76 | 22 | 20,2 | M3 | 5x5 | M5 | 15 | 14 |
| SLN-27-15-0050-150-11-L-S-000 | 21,5 | 20,5 | 15 | 28 | 76 | 22 | 20,2 | M3 | 5x5 | M5 | 15 | 14 |
| SLN-27-15-0050-200-11-L-S-000 | 21,5 | 20,5 | 15 | 28 | 76 | 22 | 20,2 | M3 | 5x5 | M5 | 15 | 14 |
| SLN-27-15-0050-250-11-L-S-000 | 21,5 | 20,5 | 15 | 28 | 76 | 22 | 20,2 | M3 | 5x5 | M5 | 15 | 14 |
| Art.-Nr. | ltm [mm] | HM [mm] | Ai [mm] | li [mm] | l [mm] | lm [mm] |
|---|---|---|---|---|---|---|
| SLN-27-14-0050-100-11-L-S-000 | 20,5 | 28 | 33 | 25 | 83 | variabel |
| SLN-27-14-0050-150-11-L-S-000 | 20,5 | 28 | 33 | 25 | 83 | variabel |
| SLN-27-14-0050-200-11-L-S-000 | 20,5 | 28 | 33 | 25 | 83 | variabel |
| SLN-27-14-0050-250-11-L-S-000 | 20,5 | 28 | 33 | 25 | 83 | variabel |
| SLN-27-15-0050-100-11-L-S-000 | 20,5 | 28 | 33 | 25 | 83 | variabel |
| SLN-27-15-0050-150-11-L-S-000 | 20,5 | 28 | 33 | 25 | 83 | variabel |
| SLN-27-15-0050-200-11-L-S-000 | 20,5 | 28 | 33 | 25 | 83 | variabel |
| SLN-27-15-0050-250-11-L-S-000 | 20,5 | 28 | 33 | 25 | 83 | variabel |

Das Miniatur-Linearmodul Muster inkl. Brillenetui
Fordern Sie das kostenlose Miniatur-Linearmodul im Brillenetui mit weiteren Infos rund um die igus Antriebstechnik an. Überzeugen Sie sich von der Qualität der kleinen, schmierfreien Linearmodule.



Für einen motorisierten Spindelantrieb des flachen Linearmoduls bietet igus leistungsstarke Spindel-Schrittmotoren an. Die Motoren werden in drei Baugrößen angeboten: NEMA11, NEMA17 und NEMA23. Die Kombination mit einer dryspin Gewindespindel garantiert eine präzise Zentrierung und eine lange Lebensdauer des falchen Linearmoduls.

In unserer Anleitung erfahren Sie, welche Ausrichtung der Elektroanschlüsse für bspw. für Motor-, Encoder- oder Bremsenanschluss sich am besten für die Spindelachse eignet.
Dabei definieren wir die Ausrichtung in Grad (von hinten auf den Motor blickend).

Persönlich
Montag bis Freitag: 8–20 Uhr
Samstag: 8–12 Uhr
Online
Chat-Service
Montag bis Freitag: 8–16 Uhr (CET/ CEST)
WhatsApp-Service
Montag bis Freitag: 8–16 Uhr (CET/ CEST)