igus-icon-lupe
igus-icon-lupe
1 von 2
igus-icon-lieferzeitSLS-S12-LL
12
Rechtsgewinde
S12
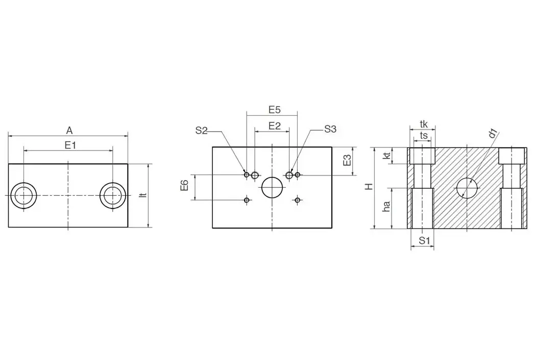
Entdecken Sie die dryspin SLS Spindellagerung mit iglidur
Gleitlagern, die für Gewindegrößen von 6 bis 24 mm erhältlich ist. Diese
korrosionsbeständigen Lagerblöcke bieten eine schmier- und wartungsfreie Lösung
für Ihre Spindel. Sie sind aus eloxiertem Aluminium gefertigt und verfügen über
praktische Befestigungsbohrungen. Ideal für Anwendungen mit wechselnden
Axialbelastungen, garantieren sie eine präzise und stabile Lagerung. Wählen Sie
die passende Version für Ihre Bedürfnisse!
