Nach Eingabe Ihrer Postleitzahl nennen wir Ihnen sofort Ihren persönlichen igus® Berater.
Die SLWT-1080 Doppel- Lineareinheit bietet ein hohes Maß an Flexibilität. Sehr fl ach und kompakt kombiniert der SLWT zwei Lineartische in einem Aufbau. Jeder Schlitten ist in der Einheit getrennt steuerbar.
Verschiedene Spindelsteigungen kombinierbar
Schlitten manuell einzeln verstellbar
Schmierfreie drylin® W Lineargleitführung
Spieleinstellung optional
|
Art.-Nr.: |
| Bestellnummer | max. Hublänge | Wellengewicht | max. stat. Tragfähigkeit | Traversenmaterial | ||||
|---|---|---|---|---|---|---|---|---|
| [mm] | [kg] | zusätzl. (pro 100 mm) | axial [N] | radial [N] | ||||
SLWT-1080 |
750 | 1,6 | 0,25 | 700 | 2800 | Aluminium | 353,51 EUR | ![]() |
| 750 | 2,3 | 0,23 | 700 | 2800 | Aluminium | Preis auf Anfrage | ![]() |
|
| Mehr zum gewünschten Artikel: | ||||||||
3D CAD
Musterbestellung
Auslegung & Berechnung
PDF
Preisanfrage
Staffelpreise
myCatalog
|
||||||||
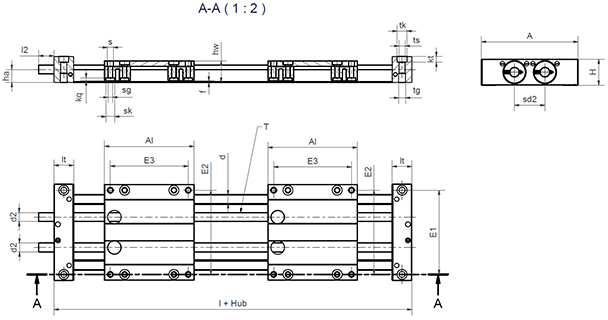
| Bestellnummer | A | Al | H | E1 | E2 | E3 | l | hw | f | lt | tk | ts |
|---|---|---|---|---|---|---|---|---|---|---|---|---|
| -0,3 | -0,3 | ±0,15 | ±0,15 | ±0,15 | ±0,1 | |||||||
SLWT-1080 |
108 | 100 | 29 | 94 | 94 | 87 | 244 | 24 | 1,5 | 22 | 11 | 6,8 |
| 154 | 100 | 30 | 140 | 140 | 87 | 360 | 24 | 15 | 30 | 11 | 68 | |
| Mehr zum gewünschten Artikel: | ||||||||||||
3D CAD
Musterbestellung
Auslegung & Berechnung
PDF
Preisanfrage
Staffelpreise
myCatalog
|
||||||||||||
| Bestellnummer | tg | kt | sk | s | sg | kq | d | T | l2 | d2 | d2 | ha |
|---|---|---|---|---|---|---|---|---|---|---|---|---|
| Standard | alternativ | |||||||||||
SLWT-1080 |
M8 | 6,4 | 9,5 | 6,6 | M6 | 4,4 | 10 | TR10x2 | 17 | TR10x2 | 6h9 | 14,5 |
| M8 | 64 | 95 | 66 | M6 | 44 | 10 | TR10x2 | 17 | TR10x2 | 6h9 | 145 | |
| Mehr zum gewünschten Artikel: | ||||||||||||
3D CAD
Musterbestellung
Auslegung & Berechnung
PDF
Preisanfrage
Staffelpreise
myCatalog
|
||||||||||||
