Nach Eingabe Ihrer Postleitzahl nennen wir Ihnen sofort Ihren persönlichen igus® Berater.
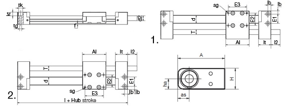
Ein äußerst flacher Aufbau, die seitliche Spindelanordnung,
ein markantes Design sind nur einige Gründe warum das drylin® Linearmodul SLT mit dem IF Award 2014 ausgezeichnet worden ist. Technisch überzeugt das System durch einen Antrieb mit kugelgelagerten Spindeln mit Trapez- oder Steilgewinde für den motorischen als auch manuellen Betrieb. Basis der neuen Baugröße 15 ist die drylin® T Miniatur Lineargleitführung Baugröße 15 mit dem einstellbaren Lagerschlitten TWE-04-15.
Sehr flacher Aufbau durch seitliche Spindelanordnung
Schmierfrei, korrosionsbeständig, leicht
Variable Spindelsteigung Tr12x3, Tr12x6P3, Sg12x25
Einstellbarer drylin® T Miniaturschlitten TWE-04-15
Spindelanordung links oder rechts wählbar
1. Spindelausrichtung rechts
2. Spindelausrichtung links
| Bestellnummer | Hublänge | Gewicht | max. stat.Tragfähigkeit | max. Drehzahl | max. Geschw. | |||||
|---|---|---|---|---|---|---|---|---|---|---|
| [kg] | zusätzl. (pro 100 mm) |
axial [N] | radial [N] | [1/min.] | [m/min.] | |||||
| SLT-BB-0412 | - | 300 | 0,15 | 0,06 | 100 | 200 | 1000 | 1,5 | 213,74 EUR | ![]() |
| SLT-BB-0415 | NEW | 600 | 0,4 | 0,12 | 200 | 400 | 1000 | 3 | 279,75 EUR | ![]() |
| Mehr zum gewünschten Artikel: | ||||||||||
| myCatalog | ||||||||||
| Bestellnummer | A | Al | H | E1 | E2 | E3 | L | L2 | d2 | ha | sg | tk | kt | tg | f | lb | lt | d | T* | as | |||
|---|---|---|---|---|---|---|---|---|---|---|---|---|---|---|---|---|---|---|---|---|---|---|---|
| SLT-BB-0412 | - | 45 | 38 | 20 | 15 | 20 | 30 | 78 | 15 | - | 10 | M3-7 | 6,5 | 6 | M4 | 2,2 | 5 | 20 | 13 | TR 08x1,5 | 11 | 213,74 EUR | ![]() |
| SLT-BB-0415 | NEW | 58 | 45 | 30 | 19 | 25 | 35 | 89 | 17 | 12 | 15 | M3-13 | 8 | 4,5 | M5-15 | 2,8 | 6,5 | 22 | 17 | TR12x3 | 16 | 279,75 EUR | ![]() |
| Mehr zum gewünschten Artikel: | |||||||||||||||||||||||
| myCatalog | |||||||||||||||||||||||
Hublänge in mm
Spindelzapfen
G = Zapfen mit Gewinde
Gewinde
R=rechts
Spindelsteigung
Spindel
Stahl- oder Edelstahl
Ausrichtung Spindel
R = rechts (Standard)
L = links
Einstellbarer Schlitten TWE (Standard)
Baugröße 0412/0415
Ausführung
BB = mit Kugellager (Standard)
Typ
Lieferbar 3-8 Tage
