Nach Eingabe Ihrer Postleitzahl nennen wir Ihnen sofort Ihren persönlichen igus® Berater.
1. Auswahl der Anzahl Schlitten
2. Auswahl der Art des Schlittens
3. Eingabe der Schienenlänge in mm
4. Auswahl der Schlitten-Optionen
5. Auswahl der Schienen-Optionen
Detailinformationen finden Sie unten in den Zeichnungen sowie auf den u.g. Seiten. Genauere Angaben zu den Loslagervarianten erhalten Sie innerhalb der Konstruktionsregeln.
A:Einbauvariante seitlich mit Loslager in z-Richtung
B:Einbauvariante horizontal mit Loslager in z-Richtung
C:Einbauvariante horizontal mit seitlich liegenden
Führungsschlitten und Loslager in y-Richtung
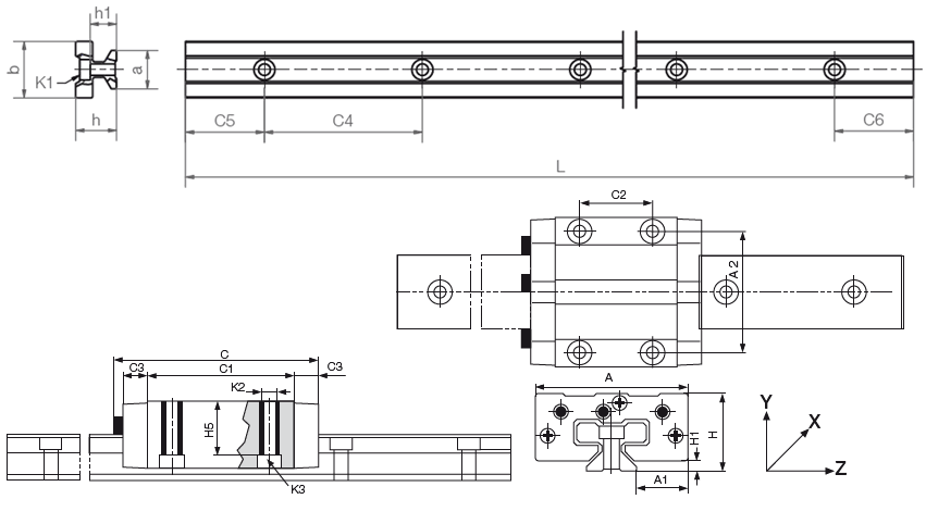
Schiene
2Gleitelement
3Festlagerschlitten
4Loslagerschlitten LLZ oder LLY
Führungsschiene
| Art.-Nr. | Gewicht [kg/m] |
L max. |
a -0,2 |
C4 | C5 min. |
C5 max. |
C6 min. |
C6 max. |
h | h1 | K1 für Schraube DIN 912 |
b | ly [mm4] |
lz [mm4] |
Wby [mm4] |
Wbz [mm4] |
|---|---|---|---|---|---|---|---|---|---|---|---|---|---|---|---|---|
| TS-01-15 | 0,6 | 4.000 | 15 | 60 | 20 | 49,5 | 20 | 49,5 | 15,5 | 10 | M4 | 22 | 6.440 | 4.290 | 585 | 488 |
| TS-01-20 | 1 | 4.000 | 20 | 60 | 20 | 49,5 | 20 | 49,5 | 19 | 12,3 | M5 | 31 | 22.570 | 11.520 | 1.456 | 1.067 |
| TS-11-20 | 4.000 | 20 | 120 | 20 | 79,5 | 20 | 79,5 | 19 | 12,3 | M5 | 31 | 12.140 | 6.360 | 780 | 620 | |
| TS-01-25 | 4.000 | 23 | 60 | 20 | 49,5 | 20 | 49,5 | 21,5 | 13,8 | M6 | 34 | 34.700 | 19.300 | 2.041 | 1.608 | |
| TS-01-30 | 4.000 | 28 | 80 | 20 | 59,5 | 20 | 59,5 | 26 | 15,8 | M8 | 40 | 70.040 | 40.780 | 3.502 | 2.832 |
| Art.-Nr. | Gewicht [kg] |
H ±0,35 |
A | C | A1 ±0,35 |
A2 | C1 | C2 | C3 | H1 ±0,35 |
H5 | K2-Gew. | Anziehmoment max. [Nm] |
K3 für Schraube DIN 912 |
|---|---|---|---|---|---|---|---|---|---|---|---|---|---|---|
| TW-01-15 | 0,11 | 24 | 47 | 74 | 16,0 | 38 | 50 | 30 | 9 | 4,0 | 16,0 | M5 | 1,5 | M4 |
| TW-01-20 | 0,19 | 30 | 63 | 87 | 21,5 | 53 | 61 | 40 | 10 | 5,0 | 19,8 | M6 | 2,5 | M5 |
| TW-01-25 | 0,29 | 36 | 70 | 96 | 23,5 | 57 | 68 | 45 | 11 | 5,0 | 24,8 | M8 | 6,0 | M6 |
| TW-01-30 | 0,50 | 42 | 90 | 109 | 31,0 | 72 | 79 | 52 | 12 | 6,5 | 27,0 | M10 | 15,0 | M8 |
