|
Art.-Nr.: |
Nach Eingabe Ihrer Postleitzahl nennen wir Ihnen sofort Ihren persönlichen igus® Berater.
Wellen und Spindel aus Edelstahl, Lagermaterial iglidur® X
Schlitten und Traversen aus eloxiertem Aluminium
absolut schmiermittelfrei
erhältlich als SHT – Standard; SHTC – der Flexible, ideal für zwei Schlitten; SHT-XY – die Kreuztischvariante
|
Art.-Nr.: |
| Art.-Nr. | max. Hublänge |
Aluminiumwelle | Stahlwelle | max. stat. Tragfähigkeit |
|||||
|---|---|---|---|---|---|---|---|---|---|
| Gewicht [kg] |
zusätzl. (pro 100 mm) [kg] |
Gewicht [kg] |
zusätzl. (pro 100 mm) [kg] |
axial [N] |
radial [N] |
||||
SHT-12-EWM-HTX |
750 | 1,1 | 0,1 | 1,3 | 0,2 | 700 | 2800 | Preis auf Anfrage | ![]() |
SHT-20-EWM-HTX |
1000 | 3,2 | 0,3 | 3,9 | 0,6 | 1600 | 6400 | Preis auf Anfrage | ![]() |
| Mehr zum gewünschten Artikel: | |||||||||
3D CAD
Musterbestellung
Auslegung & Berechnung
PDF
Preisanfrage
Staffelpreise
myCatalog
|
|||||||||
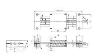
| Bestellnr. | A -0,3 |
Al -0,3 |
H | E1 ±0,15 |
E2 ±0,15 |
E3 ±0,15 |
l | R | f | lt ±0,1 |
tk | ts |
|---|---|---|---|---|---|---|---|---|---|---|---|---|
SHT-12-EWM-HTX |
85 | 85 | 34 | 70 | 73 | 73 | 145 | 42 | 2 | 30 | 11 | 6,6 |
SHT-20-EWM-HTX |
130 | 130 | 48 | 108 | 115 | 115 | 202 | 72 | 2 | 36 | 15 | 9 |
| Mehr zum gewünschten Artikel: | ||||||||||||
3D CAD
Musterbestellung
Auslegung & Berechnung
PDF
Preisanfrage
Staffelpreise
myCatalog
|
||||||||||||
| Art.-Nr. | tg | kt | s | sk | sg | kq | d | T | l2 | d2 | ha |
|---|---|---|---|---|---|---|---|---|---|---|---|
| ±0,1 | Standard | ||||||||||
SHT-12-EWM-HTX |
M8 | 6,4 | 6,3 | 10 | M6 | 6 | 12 | TR10x2 | 17 | TR10x2 | 18 |
SHT-20-EWM-HTX |
M10 | 8,6 | 6,4 | 11 | M8 | 7 | 20 | TR18x4 | 26 | 12 h9 | 23 |
| Mehr zum gewünschten Artikel: | |||||||||||
3D CAD
Musterbestellung
Auslegung & Berechnung
PDF
Preisanfrage
Staffelpreise
myCatalog
|
|||||||||||
Stefan Niermann, Produktmanager Lineartechnik
