Change Language :
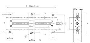
Angelehnt an den Gedanken des Hygienic Designs bietet diese Ausführung eine leicht spülbare Lösung. Selbst Schraubverbindungen sind leicht zugänglich und Spaltmaße entsprechend großzügig ausgelegt. Die verwendeten Materialien sind Kunststoff und VA-Edelstahl. Die Spindel-Lineareinheit kann komplett mit FDA-zugelassenen Materialien geliefert werden.




Persönlich:
Montag – Freitag: 8 – 20 Uhr
Samstag: 8 – 12 Uhr
Online:
Chat-Service:
Montag – Donnerstag: 8 – 18 Uhr
Freitag: 8 – 17 Uhr
WhatsApp-Service:
Montag – Freitag: 8 – 16 Uhr