Nach Eingabe Ihrer Postleitzahl nennen wir Ihnen sofort Ihren persönlichen igus® Berater.
SHT-Lineartische mit Schnellverschluss-
Mechanismus bieten eine
Kombination aus präzisem Positionieren
und schnellem Verstellen per Hand.
Aluminiumausführung
für eilige Formatverstellungen
Bremse durch Selbsthemmung inkl.
Hublängen frei wählbar
nur empfohlen für horizontale Anwendungen
max. stat. Axiallast 200 N (horizontale Einbaulage)
max. dyn. Axiallast 50 N
|
Art.-Nr.: |
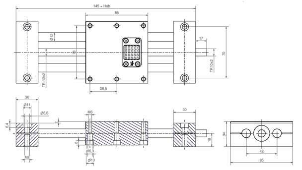
| Art.-Nr. | A | Al | H | E1 | E2 | E3 | l | R | f | lt | tk | ts | tg | kt | s | sk |
|---|---|---|---|---|---|---|---|---|---|---|---|---|---|---|---|---|
| -0,3 | -0,3 | ±0,15 | ±0,15 | ±0,15 | [mm] | [mm] | [mm] | ±0,1 | [mm] | [mm] | [mm] | ±0,1 | ||||
SHT-12-AWM-FF |
85 | 85 | 34 | 70 | 73 | 36,5 | - | 42 | 2 | 30 | 11 | 6,6 | M8 | 6,4 | 6,3 | 10 |
| Mehr zum gewünschten Artikel: | ||||||||||||||||
3D CAD
Musterbestellung
Auslegung & Berechnung
PDF
Preisanfrage
Staffelpreise
myCatalog
|
||||||||||||||||
| Art.-Nr. | sg | kq | d | T | l2 | d2* | ha | max. Hublänge |
Gewicht | Gewicht zusätzlich |
||
|---|---|---|---|---|---|---|---|---|---|---|---|---|
| Standard | [mm] | [kg] | pro 100 mm | |||||||||
SHT-12-AWM-FF |
M6 | 6 | 12 | TR10x2 | 17 | TR10x2 | 18 | 750 | 1,1 | 0,1 | Preis auf Anfrage | ![]() |
| Mehr zum gewünschten Artikel: | ||||||||||||
3D CAD
Musterbestellung
Auslegung & Berechnung
PDF
Preisanfrage
Staffelpreise
myCatalog
|
||||||||||||
drücken > ausrasten > manuell verschieben > einrasten > feinjustieren
drylin® E – ProduktübersichtDie konsequente Weiterführung des Baukasten und Systemgedankens der schmierfreien drylin®-Lineartechnik
