Nach Eingabe Ihrer Postleitzahl nennen wir Ihnen sofort Ihren persönlichen igus® Berater.
flach und kompakt
hohe Verwindungssteifigkeit
komplett unterstützt
hartanodisierte Schiene
5 Baugrößen
Traversen aus chromatiertem Zink
Sonderversion SLW-AL mit Traversen aus eloxiertem Aluminium auf Anfrage
Edelstahlversion mit korrosionsbeständigen Stahlkomponenten (1.4305 bzw. 1.4571); bei der Edelstahlversion sind iglidur® J, iglidur® X oder iglidur® A180 als Lagermaterial wählbar.
Auch als Einsteigermodell der econ-Serie erhältlich.
drylin® SLW-1040
drylin® SLW-0630
|
Art.-Nr.: |
|
| L max.: | |
1. Auswahl der Baugröße
2. Eingabe der Hublänge in mm
3. Auswahl von Zubehörteilen
Detailinformationen finden Sie unten in den Zeichnungen und Tabellen sowie auf den u.g. Seiten.
| Bestellnr. | max. | Welle | max. stat. | max. stat. | Traversen- | Einzelpreis | |||
|---|---|---|---|---|---|---|---|---|---|
| Hublänge [mm] |
Gewicht [kg] |
Zusätzlich (pro 100 mm) [kg] |
axiale
Tragfähigkeit [N] |
radiale Tragfähigkeit [N] |
material | bei Basishub 100mm |
|||
SLW-0630 |
- | 300 | 0,2 | 0,08 | 50 | 200 | Kunststoff | 117,69 EUR | ![]() |
SLW-0660 |
NEW | 300 | 0,3 | 0,12 | 50 | 200 | Kunststoff | 189,49 EUR | ![]() |
SLW-1040 |
- | 750 | 0,7 | 0,1 | 700 | 2800 | Zinkdruckguss | 114,76 EUR | ![]() |
SLW-1080 |
- | 750 | 0,9 | 0,2 | 700 | 2800 | Aluminium | 239,43 EUR | ![]() |
SLW-1660 |
- | 750 | 1,5 | 0,3 | 1200 | 4600 | Aluminium | 226,26 EUR | ![]() |
SLW-2080 |
- | 1000 | 3 | 0,4 | 1600 | 6400 | Aluminium | 246,42 EUR | ![]() |
SLW-10120 |
- | 750 | 1,6 | 0,25 | 700 | 2800 | Aluminium | 256,77 EUR | ![]() |
SLW-25120 |
- | 1250 | 5,9 | 0,9 | 2500 | 10000 | Aluminium | 446,32 EUR | ![]() |
| Mehr zum gewünschten Artikel: | |||||||||
3D CAD
Musterbestellung
Auslegung & Berechnung
PDF
Preisanfrage
Staffelpreise
myCatalog
|
|||||||||
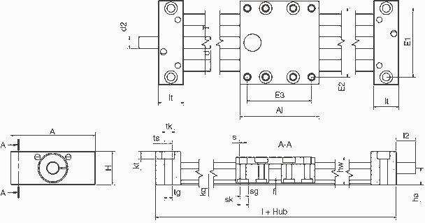
| Bestellnr. | A -0,3 |
AI** -0,3 |
H | E1 ±0,15 |
E2 ±0,15 |
E3 ±0,15 |
l | hw | f | lt | tk | ts ±0,3 |
tg | |
|---|---|---|---|---|---|---|---|---|---|---|---|---|---|---|
SLW-0630 |
- | 54 | 60 | 20 | 40 | 45 | 51 | 100 | 18 | 1,2 | 20 | 11 | 6,6 | - |
SLW-0660 |
NEW | 85 | 60 | 20 | 71 | 76 | 51 | 100 | 18 | 1,2 | 20 | 11 | 6,2 | - |
SLW-1040 |
- | 74 | 69 | 29 | 60 | 60 | 56 | 113 | 24 | 1,5 | 22 | 11 | 6,8 | M8 |
SLW-1080 |
- | 108 | 100 | 29 | 94 | 94 | 87 | 144 | 24 | 1,5 | 22 | 11 | 6,8 | M8 |
SLW-1660 |
- | 104 | 100 | 37 | 84 | 86 | 82 | 150 | 35 | 1,5 | 25 | 15 | 9 | M10 |
SLW-2080 |
- | 134 | 150 | 46 | 116 | 116 | 132 | 206 | 44 | 1,5 | 28 | 15 | 8,6 | M10 |
SLW-10120 |
- | 154 | 100 | 29 | 140 | 140 | 87 | 144 | 24 | 1,5 | 22 | 11 | 6,8 | M8 |
SLW-25120 |
- | 200 | 150 | 60 | 173 | 173 | 128 | 220 | 55 | 2,5 | 35 | 20 | 13,5 | M16 |
| Mehr zum gewünschten Artikel: | ||||||||||||||
3D CAD
Musterbestellung
Auslegung & Berechnung
PDF
Preisanfrage
Staffelpreise
myCatalog
|
||||||||||||||
| Bestellnr. | kt ±0,1 |
s | sk | sg | kq | d | T | l2 | d2 Standard |
ha | |
|---|---|---|---|---|---|---|---|---|---|---|---|
SLW-0630 |
- | 8 | 4,5 | 7 | M4 | 2 | 6 | M8 | 15 | M8 | 9,5 |
SLW-0660 |
NEW | 8 | 4,5 | 7 | M4 | 2 | 6 | TR08x1,5 | 15 | TR08x1,5 | 9,5 |
SLW-1040 |
- | 6,4 | 6,6 | 9,5 | M6 | 4,4 | 10 | TR10x2 | 17 | TR10x2* | 14,5 |
SLW-1080 |
- | 6,4 | 6,6 | 9,5 | M6 | 4,4 | 10 | TR10x2 | 17 | TR10x2 | 14,5 |
SLW-1660 |
- | 8,6 | 6,6 | 11 | M8 | 5,5 | 16 | TR14x4 | 20 | TR14x4 | 18,5 |
SLW-2080 |
- | 8,6 | 9 | 14 | M8 | 5,5 | 20 | TR18x4 | 26 | 12 h9 | 23 |
SLW-10120 |
- | 6,4 | 0 | 9,5 | M6 | 4,4 | 10 | TR10x2 | 17 | TR10x2 | 14,5 |
SLW-25120 |
- | 12,6 | 11 | 15 | M10 | 5 | 25 | TR24x5 | 26 | 14h9 | 30 |
| Mehr zum gewünschten Artikel: | |||||||||||
3D CAD
Musterbestellung
Auslegung & Berechnung
PDF
Preisanfrage
Staffelpreise
myCatalog
|
|||||||||||
drylin® E – ProduktübersichtDie konsequente Weiterführung des Baukasten und Systemgedankens der schmierfreien drylin®-Lineartechnik
