Change Language :

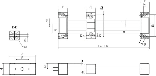
Das SHTP Linearmodul gehört zur kostengünstigen econ Serie. Traversen und Schlitten der SHTP Serie sind im Spritzgussverfahren hergestellt. Die Materialien für die Rundwelle als auch Spindel sind wählbar. So kann ein äußerst leichter Aufbau mit Carbon- oder Aluminiumwellen erreicht werden.


Persönlich:
Montag – Freitag: 8 – 20 Uhr
Samstag: 8 – 12 Uhr
Online:
Chat-Service:
Montag – Donnerstag: 8 – 18 Uhr
Freitag: 8 – 17 Uhr
WhatsApp-Service:
Montag – Freitag: 8 – 16 Uhr