Change Language :
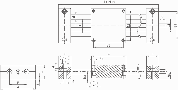
Die drylin® SHT Linearmodule ermöglichen ein komplett schmiermittelfreies Verstellen bei gleichzeitig hoher Präzision und Robustheit sämtlicher Komponenten. Die Einheiten sind individuell mit unterschiedlichen Wellen und Spindelmaterialien, Schlittenlängen, und Zusatzfunktionen konfigurierbar. Geeignet ist die SHT Baureihe für den manuellen und motorischen Betrieb, anschlussfertig geliefert mit drylin® Motoren.
Besondere Eigenschaften:







Folgende Optionen sind für SHT Produktreihe direkt online konfigurierbar.

...anschlussfertig konfektionierte Linearmodule mit Hublängen in 250 und 500 mm im Online-Shop bestellen.

Persönlich:
Montag – Freitag: 8 – 20 Uhr
Samstag: 8 – 12 Uhr
Online:
Chat-Service:
Montag – Donnerstag: 8 – 18 Uhr
Freitag: 8 – 17 Uhr
WhatsApp-Service:
Montag – Freitag: 8 – 16 Uhr