absolute Schmiermittelfreiheit
vorgespannte Trapezgewindemutter, Vorspannkraft: 50 N
Radialspiel manuell und stufenlos einstellbar
geringes Gewicht durch Aluminium und Kunststoff
auslaufendes Spindelende ermöglicht Betrieb über Handrad oder Motor
Temperaturbeständigkeit bis +80 °C
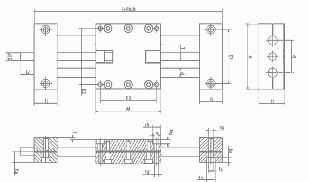
1 - Trapezgewindemutter mit Federvorspannung
2 - Radialspiel beidseitig einstellbar
SHT-12-AWM-PL
SHT-12-EWM-PL

