Steigung 10 x 12, 10 x 50, 18 x 100
Steilgewindespindel
High-Speed-Lösung
wartungsfreier Trockenlauf
Nach Eingabe Ihrer Postleitzahl nennen wir Ihnen sofort Ihren persönlichen igus® Berater.
Steigung 10 x 12, 10 x 50, 18 x 100
Steilgewindespindel
High-Speed-Lösung
wartungsfreier Trockenlauf
|
Art.-Nr.: |
|
| L max.: | |
1. Auswahl der Baugröße
2. Eingabe der Hublänge in mm
3. Auswahl von Zubehörteilen
Detailinformationen finden Sie unten in den Zeichnungen und Tabellen sowie auf den u.g. Seiten.
| Bestellnr. | max. Hublänge |
Gewicht [kg] |
Zusätzlich (pro 100 mm) [kg] |
max. statische Tragfähigkeit | Einzelpreis bei Basishub 100mm |
||
|---|---|---|---|---|---|---|---|
| axial [N] |
radial [N] |
||||||
SHTS-12-AWM (1) |
750 | 0,7 | 0,1 | 100 | 400 | 221,19 EUR | ![]() |
SHTS-20-AWM |
1000 | 1,9 | 0,3 | 400 | 1600 | 342,85 EUR | ![]() |
SHTS-12-SWM (1) |
750 | - | - | - | - | 223,57 EUR | ![]() |
SHTS-20-SWM |
1000 | - | - | - | - | 347,37 EUR | ![]() |
SHTS-12-EWM (1) |
750 | - | - | - | - | 258,50 EUR | ![]() |
SHTS-20-EWM |
1000 | - | - | - | - | 391,79 EUR | ![]() |
SHTS-12-CWM (1) |
750 | - | - | - | - | Preis auf Anfrage | ![]() |
SHTS-20-CWM |
1000 | - | - | - | - | Preis auf Anfrage | ![]() |
| Mehr zum gewünschten Artikel: | |||||||
3D CAD
Musterbestellung
Auslegung & Berechnung
PDF
Preisanfrage
Staffelpreise
myCatalog
|
|||||||
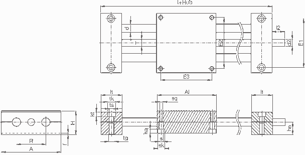
| Bestellnr. | A -0,3 |
Al -0,3 |
H | E1 ±0,15 |
E2 ±0,15 |
E3 ±0,15 |
l | R | f | lt ±0,1 |
tk | ts | tg | kt ±0,1 |
s | sk | sg | kq | d | T | l2 | d2 Standard* |
ha |
|---|---|---|---|---|---|---|---|---|---|---|---|---|---|---|---|---|---|---|---|---|---|---|---|
SHTS-12-AWM (1) |
85 | 85 | 34 | 70 | 73 | 73 | 145 | 42 | 2 | 30 | 11 | 6,6 | M8 | 6,4 | 6,3 | 10 | M6 | 6 | 12 | SG10x50 | 17 | SG10x50 | 18 |
SHTS-20-AWM |
130 | 130 | 48 | 115 | 115 | 72 | 202 | 72 | 2 | 36 | 15 | 9 | M10 | 8,6 | 6,4 | 11 | M8 | 7 | 20 | SG18x100 | 26 | 12 h9 | 23 |
SHTS-12-SWM (1) |
85 | 85 | 34 | 73 | 73 | 73 | 145 | 42 | 2 | 30 | 11 | 6,6 | M8 | 6,4 | 6,3 | 10 | M6 | 6 | 12 | SG10x50 | 17 | SG10x50 | 18 |
SHTS-20-SWM |
130 | 130 | 48 | 115 | 115 | 72 | 202 | 72 | 2 | 36 | 15 | 9 | M10 | 8,6 | 6,4 | 11 | M8 | 7 | 20 | SG18x100 | 26 | 12 h9 | 23 |
SHTS-12-EWM (1) |
85 | 85 | 34 | 73 | 73 | 73 | 145 | 42 | 2 | 30 | 11 | 6,6 | M8 | 6,4 | 6,3 | 10 | M6 | 6 | 12 | SG10x50 | 17 | SG10x50 | 18 |
SHTS-20-EWM |
130 | 130 | 48 | 115 | 115 | 72 | 202 | 72 | 2 | 36 | 15 | 9 | M10 | 8,6 | 6,4 | 11 | M8 | 7 | 20 | SG18x100 | 26 | 12 h9 | 23 |
SHTS-12-CWM (1) |
85 | 85 | 34 | 73 | 73 | 73 | 145 | 42 | 2 | 30 | 11 | 6,6 | M8 | 6,4 | 6,3 | 10 | M6 | 6 | 12 | SG10x50 | 17 | SG10x50 | 18 |
SHTS-20-CWM |
130 | 130 | 48 | 115 | 115 | 72 | 202 | 72 | 2 | 36 | 15 | 9 | M10 | 8,6 | 6,4 | 11 | M8 | 7 | 20 | SG18x100 | 26 | 12 h9 | 23 |
| Mehr zum gewünschten Artikel: | |||||||||||||||||||||||
3D CAD
Musterbestellung
Auslegung & Berechnung
PDF
Preisanfrage
Staffelpreise
myCatalog
|
|||||||||||||||||||||||
drylin® E – ProduktübersichtDie konsequente Weiterführung des Baukasten und Systemgedankens der schmierfreien drylin®-Lineartechnik
